產品類別:振動篩分機
產品簡介:移動式振動篩分機是在振動篩底部安裝了萬向旋轉輪,可360°自由旋轉移動,主要用于篩分場所不固定的場合.
免費獲取報價
全國統一銷售熱線
移動式振動篩分機篩選硫磺粉

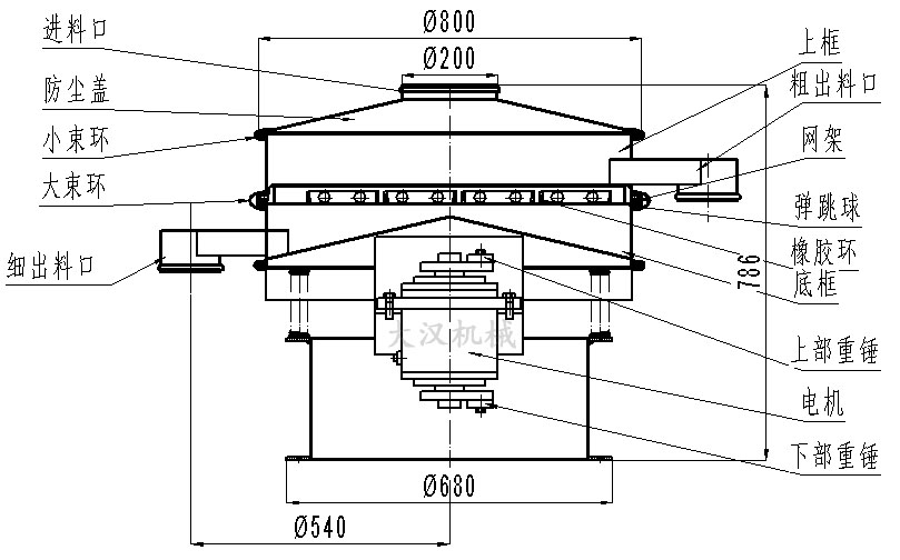
移動式振動篩是在振動篩底部加裝萬向旋轉輪,可360度旋轉移動,主要應用于篩分場所不固定,便于用戶移動,一人即可操作。振動篩是所有振動篩分設備類產品的總稱,確切的講圓形的振動篩根據相關標準叫“旋振篩”,由于其振動運轉原理很多企業也稱之為“三次元振動篩分過濾機”。


1、底部加裝移動輪,可自由移動,一人即可操作;
2、可篩至400目或0.028mm,網孔不堵塞;
3、全密閉結構,粉末不飛揚,液體不溢散;
4、雜質、粗料自動排出,可以連續作業。

移動式振動篩分機適用于篩分場所不固定的場合,可以用于篩分粉末、顆粒及液體物料。
化工行業:樹脂、涂料、工業藥品、化妝品、油漆、中藥粉等。
食品行業:糖粉、淀粉、食鹽、米粉、奶粉、豆漿、蛋粉、醬油、果汁等。
金屬、冶金礦業:鋁粉、鉛粉、銅粉、礦石、合金粉、焊條粉末、二氧化錳、電解銅粉、電磁性材料、研磨粉、耐火材料、高嶺土、石灰、氧化鋁、重質碳酸鈣、石英砂等。
公害處理:廢油、廢水、染整廢水、助劑、活性碳等。


移動式振動篩由直立式振動電機作為激振源,電機上、下兩端安裝有偏心重錘,將電機的旋轉運動轉變為水平、垂直、傾斜的三次元運動,再把這個運動傳遞給篩面進行篩分。調節上、下兩端的相位角,可以改變物料在篩面上的運動軌跡。

(一)設備應有穩定的基礎。當設備安裝于一般地面或水泥基礎上時,可以不設置地腳螺栓。當設備安裝于鋼結構架臺之上時,應用螺栓緊固于結構體上,而且鋼結構架臺應有一定的鋼度。
本機只需三相開關一只(備注:好使用電氣控制盤),用蛇皮管穿線,將電機接至電源即可,注意電氣控制盤應懸掛安裝于墻上。
(二)設備出廠前已將篩網裝妥,使用過程中的篩網更換可自己更換。
(三)開機前,應先檢查各壓緊螺栓的緊固程度,及各料口的位置是否與接料器對正,并觀察振動電機是否能正常轉動及彈簧受力有無阻礙,檢查各層篩網是否壓緊。
(四)當旋振篩接入電氣控制盤之前,應首先對電氣控制盤進行檢查。線路接通后觀察振動電機旋轉方向是否是順時針方向, (備注:否則應改變相序)運轉是否正常,有無異噪聲。
(五)調節振動電機上下偏心塊的相位角,以適應各種物料篩分情況。
大漢移動式振動篩分機廠家可根據客戶需求設計特殊型號,無論物料是干是濕,是精細是粗糙,是比重大是比重輕,0-400目都可以篩選,不管是液態的,還是漿狀的0-600目都可以過濾."大漢"旋振篩系列產品同時配備專門的篩網清理裝置,把堵網率降到低,過網率和處理精度得以有效提高."大漢"具備特殊型號制造的能力讓顧客對"大漢"有更多的選擇。

Copyright ©right 2007-2020 新鄉市大漢振動機械有限公司 All Rights Reserved 版權所有
備案號:豫ICP備09002479號-7

