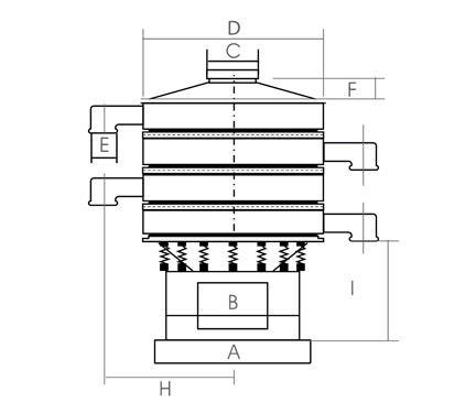
產品類別:振動篩分機
產品簡介:多層振動篩可分為單層、雙層、三層、四層,可將一種規格的物料分選出2-5種不同粒度。
免費獲取報價
全國統一銷售熱線
雙層振動篩分機篩選河沙
三層振動篩分機篩選玉米
多層振動篩分機指兩個出料口以上的振動篩分機,篩面層數可為2層、3層、4層等,物料通過不同目數的篩網進行分級,可將一種物料分選出2-5種不同粒度規格。

多層振動篩分機層數說明:多層振動篩分機都是指篩機里邊所安裝網架的數量,比較明顯的就是直接看振動篩有幾個出料口,雙層振動篩是安裝2層篩網,有3個出料口,以此類推。

大漢多層振動篩分機根據不同行業的要求,可選用碳鋼、不銹鋼、塑料三種材質,還可根據特殊行業進行定制化設計生產。


化工行業:樹脂、涂料、工業藥品、化妝品、油漆、中藥粉等。
食品行業:糖粉、淀粉、食鹽、米粉、奶粉、豆漿、蛋粉、醬油、果汁等。
金屬、冶金礦業:鋁粉、鉛粉、銅粉、礦石、合金粉、焊條粉末、二氧化錳、電解銅粉、電磁性材料、研磨粉、耐火材料、高嶺土、石灰、氧化鋁、重質碳酸鈣、石英砂等。
公害處理:廢油、廢水、染整廢水、助劑、活性碳等



多層振動篩分機是一種高精度細粉篩分機械,工作原理是由直立式電機作激振源,電機上、下兩端安裝有偏心重錘,將電機的旋轉運動轉變為水平、垂直、傾斜的三次元運動,再把這個運動傳遞給篩面。調節上、下兩端的相位角,可以改變物料在篩面上的運動軌跡。


| 型號 | 篩分直徑 (m/m) | 入料粒度(mm) | 轉速(r/min) | 電壓(v) | 功率 (kw) | 處理量 (kg/h) |
| DH-400 | 350 | <10 | 1440 | 380 | 0.18 | 100 |
| DH-600 | 550 | <10 | 1440 | 380 | 0.25 | 500 |
| DH-800 | 750 | <10 | 1440 | 380 | 0.55 | 800 |
| DH-1000 | 920 | <10 | 1440 | 380 | 0.75 | 1400 |
| DH-1200 | 1120 | <10 | 1440 | 380 | 1.1 | 2100 |
| DH-1500 | 1420 | <10 | 1440 | 380 | 1.5 | 2600 |
| DH-1800 | 1720 | <10 | 1440 | 380 | 2.2 | 3300 |
1、節省時間(3-5分鐘篩網更換方便)。
2、節省人力、換網只用兩人。
3、增加生產線的流暢性。
4、增加篩網壽命,彈跳球不直接撞擊篩網。
5、篩網使用壽命長。

1、先把束環螺絲松開卸下上框,把已破損的細網取下,代之以新的細網。
2、把細網平鋪在粗網上,重新把上框放回原位,在四周用手把細網拉緊,在即身對邊兩端上框與下框的框緣處,各用一把鉗子,把上框與下框夾緊。
3、束環重新套上,松掉鉗子,把束環螺絲鎖緊。
4、用軟錘子均勻敲打束環四周,再將銅螺母鎖緊,換細網即告完成。(見圖一至圖五)

1、保修期內非因操作不當造成需要更換的零配件及設備由我廠負責包修、包換。
2、質量保證期結束后,我廠將繼續免費提供售后服務,不限年份終身服務,僅收取零部件成本費。

Copyright ©right 2007-2020 新鄉市大漢振動機械有限公司 All Rights Reserved 版權所有
備案號:豫ICP備09002479號-7

